
GET CONNECTED
SERVICES
© 2021 HENAN GBCRANES INTELLIGENT MATERIAL HANDLING MACHINERY CO.,LTD.




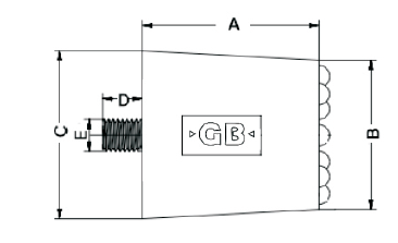
| Buffer | Buffer model | GHC-63 | GHC-80 | GHC-100 | GHC-160 | GHC-200 |
| A | 67 | 84 | 105 | 150 | 190 | |
| B | Φ56 | Φ71 | Φ90 | Φ155 | Φ190 | |
| C | Φ63 | Φ80 | Φ100 | Φ160 | Φ200 | |
| D | 15 | 15 | 15 | 15 | 15 | |
| E | M12/M16 | M12/M16 | M12 | M12 | M12 | |
| Wheel Block | GWS112/125 | - | ||||
| GWS160/200 | - | |||||
| GWS250/315/400/500 | - | |||||
| GWS400/500 | ||||||
